leyu

人工智能领域

leyu-乐鱼(中国)官方网站_leyu.com

leyu-乐鱼(中国)官方网站_leyu.com

选型热线:

13001738973(王工)

15866635707(王工)

0531-88601217

网址:giantmalamutes.com 

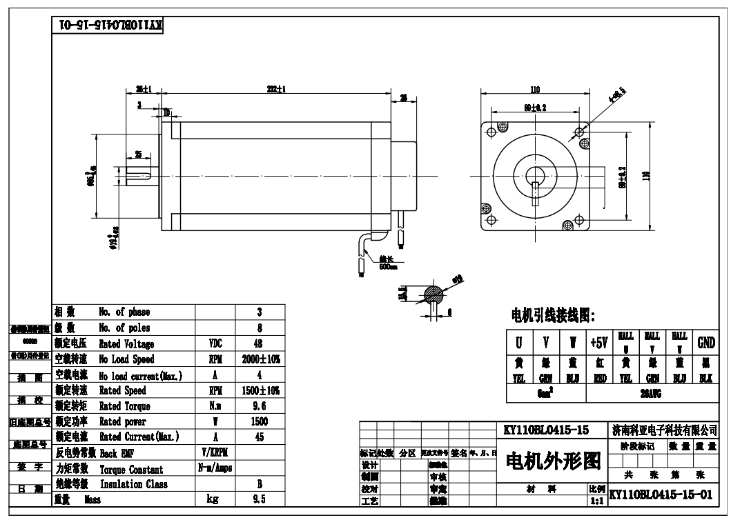
直流无刷电机110系列 48V 1500W 1500RPM

您的当前位置: 首 页 >> 产品中心 >> 直流无刷电机

直流无刷电机110系列 48V 1500W 1500RPM

详细介绍

110.jpg

电机型号及参数:.png

电机型号及参数:

●电机型号:KY110BL0415-15

●额定电压:48V

●额定功率:1500W

●额定转速:1500RPM

●额定转矩:9.6N.m

●额定电流:45A

●重量:9.5kg


本文网址://giantmalamutes.com/product/695.html

关键词:

最近浏览: